Description
Output Data
| Output Current | 40 A |
Power Derating
| Derating Curve | Refer to product derating graph |
Input Data
| Input Phase | Single Phase |
| Rated Input Current | 40 A |
| Input Voltage Range (DC) | 10.2 to 30 VDC |
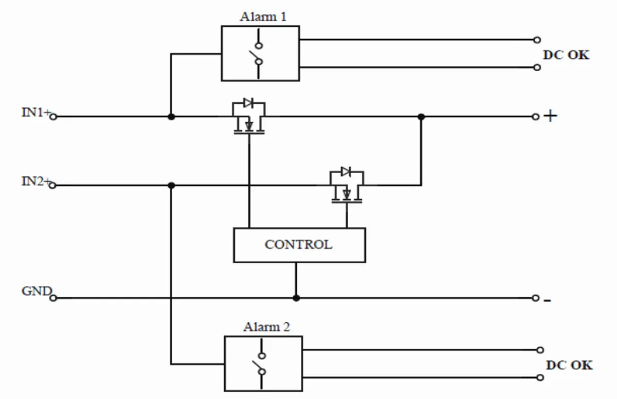
| Number of Input Channels | 2 |
Safety Data
| Withstand Voltage (Output–FG) | 500 V |
| Isolation Resistance | > 100 MΩ |
Environmental Data
| Operating Temperature | -25 to +70 °C |
| Storage Temperature | -40 to +85 °C |
| Pollution Degree | 2 |
EMI / EMC Compliance
| Conducted Emission | CISPR 22 Class A |
| Radiated Emission | CISPR 11 Class B |
| Electrostatic Discharge | IEC 61000-4-2 |
| Radiated Susceptibility | IEC 61000-4-3 |
| Electrical Fast Transient (Burst) | IEC 61000-4-4 |
| Surge | IEC 61000-4-5 |
| Conducted Susceptibility | IEC 61000-4-6 |
| Power Frequency Magnetic Field | IEC 61000-4-8 |
| Voltage Dips & Interruptions | IEC 61000-4-11 |
| Safety Standard | IEC / EN 62368-1 |
Connection Data
| Connection Type | Screw |
| Conductor Cross Section (Min.) | 1.5 mm² |
| Conductor Cross Section (Max.) | 4 mm² |
| Conductor Size (Min.) | 18 AWG |
| Conductor Size (Max.) | 12 AWG |
| Wire Stripping Length | 8 mm |
| Tightening Torque (IEC) | 0.6 Nm |
| Tightening Torque (UL/CSA) | 5 lb-in |
Dimensions & Mechanical Data
| Housing Material | Metal |
| Height | 129 mm |
| Width | 40 mm |
| Depth | 125.5 mm |
| Weight | 395 g |




